Kód ELFETEX
                                    10.665.293                                
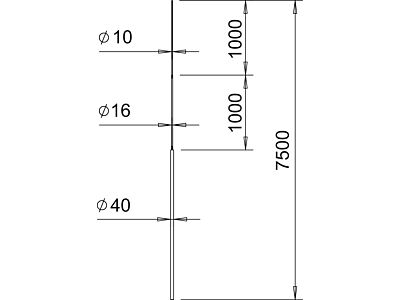
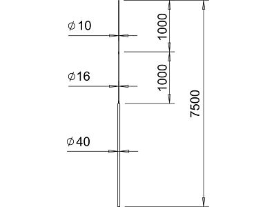
                                            OBO BETTERMANN Jímací tyč 101 3B-7500
Informace o produktu
• Vhodný pro zatížení větrem dle eurokódu 1: EN 1991-1-4
• Zúžená jímací tyč 
• Vhodný pro stativ se třemi nohami isFang 40 mm a nosné systémy isFang
- Značka OBO BETTERMANN
                    Jímače hromosvodu                
                - Délka 7500 mm
- Provedení Jímací tyč se stativem
- Materiál dutinky Hliník
- Izolace odolná VN Ne
Ke stažení
Všechny obrázky
 
                 
                 
                 
                 
                
                                














