Kód ELFETEX
11.318.004
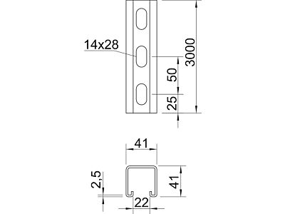
OBO BETTERMANN Profilová lišta MSL4141PP3000FT
Informace o produktu
Těžká profilová lišta C pro individuální instalaci nosných konstrukcí, např. pro kabelové žlaby nebo jako konzola pro skříňové rozvaděče. Lze použít také k ukládání kabelů, ve spojení s třmenovými příchytkami s patkou U.
- Značka OBO BETTERMANN
Závěsné /profilové lišty
- Délka 3000 mm
- Šířka 41 mm
- Výška 41 mm
- Tloušťka materiálu 2 mm
- Tvar profilů C-profil
- Typ perforace 3 strany s perforací
- Materiál dutinky Ocel
- Povrchová úprava Pozinkování žárové
- S ozubením Ano
- Odporový moment Wy 2.49 cm³
- Odporový moment Wz 2.88 cm³
- Oblast momentu setrvačnosti Iy 5.13 cm4
- Oblast momentu setrvačnosti Iz 5.88 cm4
- Hmotnost 1.92 kg
- Vhodné pro funkční integritu Ano
Ke stažení
Všechny obrázky














