Kód ELFETEX
                                    10.068.495                                
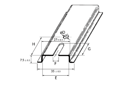
                                            SCHMACHTL Lišta DIN TS 35D/400mm krátká se speciálním děrováním
Informace o produktu
Krátká DIN-lišta se speciálním děrováním, délka 400mm
- Značka SCHMACHTL
                    Montážní lišty                
                - Provedení Speciální profily
- Výška 7.5 mm
- Tloušťka materiálu 1 mm
- Délka 400 mm
- Otvor tvaru Bez
- Materiál dutinky Ocel
- Provedení povrchu Pozinkováno
 
 
                 
                
                                











