Kód ELFETEX
                                    10.493.826                                
                                            859-732 OPTOK. 24VDC/24VDC, 500MA, WECHS
Informace o produktu
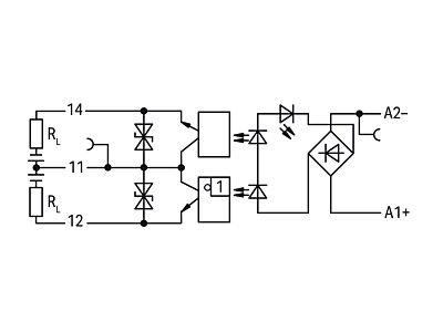
Modul s optočlenem; Jmenovité vstupní napětí: 24 V DC; Rozsah výstupního napětí DC 3–30 V; Mezní trvalý proud 1 A; 1 přepínací kontakt; Indikace stavu červená; Konstrukční šířka 6 mm; Šedá
- Značka WAGO
                    Optočleny                
                - Jmenovitý pracovní proud Ie 1 A
- Druh vstupního napětí DC
- Druh digitálního výstupu Elektronický
- Rozsah vstupního napětí 15 - 42 V
- Výstupní napětí 3 - 30 V
- S LED indikací Ano
- Typ výstupního napětí DC
Ke stažení
Všechny obrázky
 
                 
                 
                 
                 
                
                                






























