Kód ELFETEX
10.488.615
859-399 RE v. AISsvorka 110VDC +/-40% 1U
Informace o produktu
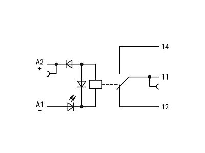
Reléový modul; Vstupní jmenovité napětí DC 110 V; 1 přepínací kontakt; Drážní aplikace; Indikace stavu červená; Konstrukční šířka 6 mm; 2,50 mm²
- Značka WAGO
Spínací relé
- Typ elektrického připojení Pružinová svorka
- Jmenovitý proud 5 A
- Jmenovité napětí Us při DC 110 - 110 V
- Typ napětí pro ovládání DC
- Pohon, polarita Polarizovaný
- Spínání pohonu Monostabilní
- Počet přepínacích kontaktů 1
- Druh spínacího kontaktu Jednoduchý kontakt
- Kompletní přístroj s paticí Ano
- S LED indikací Ano
- Stupeň krytí (IP) IP20
- Šířka 6 mm
- Výška 91 mm
- Hloubka 91 mm
- S odnímatelnými svorkami Ne
- S nuceným vedením kontaktů Ne
Ke stažení
Všechny obrázky































