Kód ELFETEX
10.494.287
859-360 RE v. AISsvorka 115VAC 1U 5MYAU
Informace o produktu
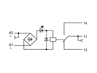
Reléový modul; Jmenovité vstupní napětí AC 115 V; 1 přepínací kontakt; Se zlatými kontakty; Indikace stavu červená; Konstrukční šířka 6 mm; 2,50 mm²; Šedá
- Značka WAGO
Spínací relé
- Typ elektrického připojení Pružinová svorka
- Jmenovitý proud 5 A
- Jmen. napájecí napětí AC 50Hz 115 - 115 V
- Jmen. napájecí napětí AC 60Hz 115 - 115 V
- Typ napětí pro ovládání AC
- Pohon, polarita Nepolarizovaný
- Spínání pohonu Monostabilní
- Počet přepínacích kontaktů 1
- Druh spínacího kontaktu Jednoduchý kontakt
- Kompletní přístroj s paticí Ano
- S LED indikací Ano
- Stupeň krytí (IP) IP20
- Šířka 6 mm
- Výška 91 mm
- Hloubka 91 mm
- S odnímatelnými svorkami Ne
- S nuceným vedením kontaktů Ne
- Jmenovité napětí Us při DC 115 - 115 V
Ke stažení
Všechny obrázky































