Kód ELFETEX
11.113.371
857-717 SSRBAUST.6MM/115VACDC/230VAC/1A
Informace o produktu
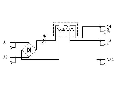
Polovodičové relé SSR; Vstupní jmenovité napětí AC/DC 115 V; Rozsah výstupního napětí AC 24–240 V; Mezní trvalý proud 2 A; 2vodičové připojení; Spínání při průchodu nulou; Indikace stavu, žlutá; Konstrukční šířka 6 mm; Šedá
- Značka WAGO
Optočleny
- Jmenovitý pracovní proud Ie 2 A
- Druh vstupního napětí AC / DC
- Druh digitálního výstupu Elektronický
- Rozsah vstupního napětí 100 - 138 V
- Výstupní napětí 24 - 240 V
- S LED indikací Ano
- Typ výstupního napětí AC
Ke stažení
Všechny obrázky































