Kód ELFETEX
                                    10.079.151                                
                                            857-707 SSRBAUST.6MM/115VACDC/48VDC/0.1A
Informace o produktu
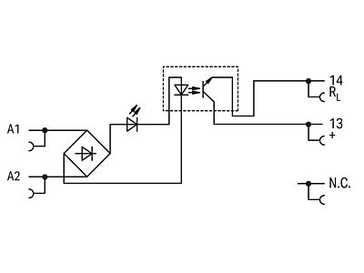
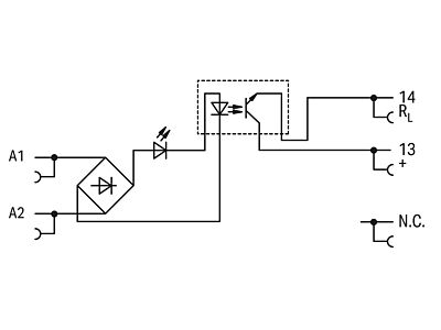
Polovodičové relé SSR; Vstupní jmenovité napětí AC/DC 115 V; Rozsah výstupního napětí DC 0–48 V; Mezní trvalý proud 0,1 A; 2vodičové připojení; Indikace stavu, žlutá; Konstrukční šířka 6 mm; Šedá
- Značka WAGO
                    Optočleny                
                - Jmenovitý pracovní proud Ie 0.1 A
- Druh vstupního napětí AC / DC
- Druh digitálního výstupu Elektronický
- Rozsah vstupního napětí 100 - 138 V
- S LED indikací Ano
- Typ výstupního napětí DC
Ke stažení
Všechny obrázky
 
                 
                 
                 
                 
                
                                






























