Kód ELFETEX
10.756.406
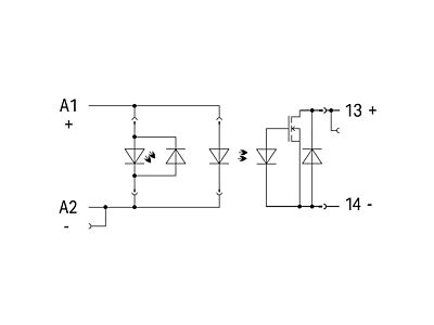
788-700 MOD.M.SSR 24VDC/24VDC 3.5A
Informace o produktu
Polovodičové relé SSR; Jmenovité vstupní napětí: 24 V DC; Rozsah výstupního napětí DC 0–24 V; Mezní trvalý proud 3,5 A; 2vodičové připojení; Indikace stavu červená; Konstrukční šířka 15 mm; Šedá
- Značka WAGO
Optočleny
- Jmenovitý pracovní proud Ie 3.5 A
- Druh vstupního napětí DC
- Druh digitálního výstupu Elektronický
- Rozsah vstupního napětí 18 - 30 V
- S LED indikací Ano
- Typ výstupního napětí DC
Ke stažení
Všechny obrázky































