Kód ELFETEX
10.493.064
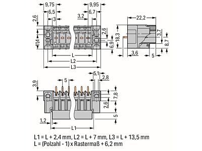
WAGO Konektor 769-641/004-000 s pájecími piny THT Pájecí kontakt 1,0 × 1,0 mm Rovné provedení, šedá
Informace o produktu
Konektor s pájecími piny THT; Pájecí kontakt 1,0 × 1,0 mm; Rovné provedení; Průchozí příruba; Rozteč 5 mm; 11pól.; Šedá
- Značka WAGO
Konektory plošných spojů
- Typ připojení Flexibilní konektor plošných spojů
- Barva těla Šedá
- Jmenovité napětí 250 V
- Počet pólů 11
- Typ kontaktů Pin
- Rozsah provozních teplot -35 - 85 °C
- Typ upevnění Pájecí
- Třída hořlavosti izolačního materiálu dle UL94 V0
- Jmenovité výdržné napětí 4 kV
- Typ elektrického připojení Pájecí připojení
- Materiál povrchu kontaktu Cín
- Stupeň znečištění (hodnota) 3
- Délka kolíku 3.6 mm
- Rozteč konektorů 5 mm
- Počet řad zásuvných konektorů 1
- Druh bandáže Bez
- Vhodné pro tloušťky desek plošných spojů 1.5 mm
- Rozteč kontaktů 5 mm
- Provedení konektoru Volný konektor
- Materiál izolačního tělesa Termoplast
- Úhel PCB / Kontakt 90° (vertikálně nahoru)
- Typ upevnění DPS Připojovací kontakt
- Jmenovitý proud In 32 A
Všechny obrázky

