Kód ELFETEX
10.901.619
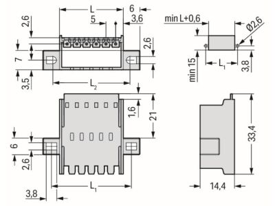
WAGO Konektor 2092-1632/024-000 (vidlice) pro připojení skrz panel Upevňovací příruba 2,5 mm², šedá
Informace o produktu
Konektor (vidlice) pro připojení skrz panel; Upevňovací příruba; 2,5 mm²; 2pól.; Rozteč 5 mm; Světle šedá
- Značka WAGO
Jedno- a vícepólové svorkovnice
- Jmenovitý proud In 16 A
- Jmenovité napětí 320 V
- Druh elektrického připojení 1 Ostatní, jiné
- Druh elektrického připojení 2 Ostatní, jiné
- Počet pólů 2
- Počet připojovacích bodů na pólu 1
- Způsob montáže Ostatní, jiné
- Materiál izolačního tělesa Termoplast
- Rozsah provozních teplot -60 - 100 °C
- Třída hořlavosti izolačního materiálu dle UL94 V0
- Barva Šedá
- Šířka 5 mm
- Výška 14.4 mm
- Hloubka 33.4 mm
- Uzavírací deska nutná Ne
- Průhledný Ne
- Provedení zkoušené proti explozi Ex e Ne
Všechny obrázky











