Kód ELFETEX
10.783.720
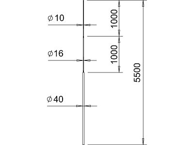
OBO BETTERMANN Jímací tyč 101 3B-5500
Informace o produktu
• Vhodný pro zatížení větrem dle eurokódu 1: EN 1991-1-4
• Zúžená jímací tyč
• Vhodný pro stativ se třemi nohami isFang 40 mm a nosné systémy isFang
- Značka OBO BETTERMANN
Jímače hromosvodu
- Délka 5500 mm
- Provedení Jímací tyč se stativem
- Materiál Hliník
- Izolace odolná VN Ne
- Průměr od / do - - - mm
Ke stažení
Všechny obrázky















