Kód ELFETEX
11.318.001
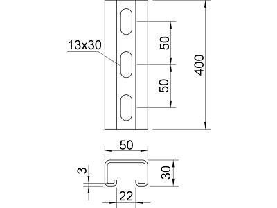
OBO BETTERMANN Profilová lišta MS5030P0400FT
Informace o produktu
Těžká profilová lišta C pro individuální instalaci nosných konstrukcí, např. pro kabelové žlaby nebo jako konzola pro skříňové rozvaděče. Lze použít také k ukládání kabelů, ve spojení s třmenovými příchytkami s patkou U.
- Značka OBO BETTERMANN
Závěsné /profilové lišty
- Délka 400 mm
- Šířka 50 mm
- Výška 30 mm
- Tloušťka materiálu 3 mm
- Tvar profilů C-profil
- Typ perforace Perforovaný hřbet
- Materiál dutinky Ocel
- Povrchová úprava Pozinkování žárové
- Odporový moment Wy 3.95 cm³
- Odporový moment Wz 6.38 cm³
- Oblast momentu setrvačnosti Iy 3.99 cm4
- Oblast momentu setrvačnosti Iz 13.11 cm4
- Hmotnost 1.15 kg
- S ozubením Ne
- Vhodné pro funkční integritu Ano
Ke stažení
Všechny obrázky














