Kód ELFETEX
11.111.059
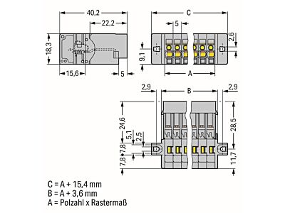
WAGO Konektor 769-603/002-000 1vodičový s pájecími piny CAGE CLAMP® 4 mm², šedá
Informace o produktu
1vodičový konektor s pájecími piny; CAGE CLAMP®; 4 mm²; Rozteč 5 mm; 3pól.; Upevňovací příruba; 4,00 mm²; Šedá
- Značka WAGO
Jedno- a vícepólové svorkovnice
- Způsob montáže Ostatní, jiné
- Barva Šedá
- Jmenovité napětí 500 V
- Počet pólů 3
- Rozsah provozních teplot 105 - 105 °C
- Počet připojovacích bodů na pólu 1
- Třída hořlavosti izolačního materiálu dle UL94 V0
- Druh elektrického připojení 1 Pružinová svorka
- Druh elektrického připojení 2 Pružinová svorka
- Materiál izolačního tělesa Termoplast
- Jmenovitý proud In 32 A
- Šířka 30.4 mm
- Výška 40.2 mm
- Hloubka 18.3 mm
- Uzavírací deska nutná Ne
- Průhledný Ne
- Provedení zkoušené proti explozi Ex e Ne
Všechny obrázky































