Kód ELFETEX
10.079.786
BALS Zásuvka 11930 16A 3P 230V IP44
Informace o produktu
CEE zásuvka nástěnná, Quick-Connect
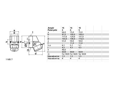
16A 3p (2P+PE) 230V (200 do 250V~) 6h IP44
frekvence: 50 a 60Hz
kód barvy: modrá RAL 5015
rozměr krytu: výška 87 mm, šířka 64 mm
kontakty: nosič kontaktů je vyroben z polyamidu, kontakty jsou vyrobeny z mosazi
maximální průřez vodiče: 4,0 mm2
materiál krytu: polyamid
systém připojení: bezšroubové pružinové klecové svorky
přívod kabelu: vrchní vstup M20
barva: límec modrý, víčko sklopné modré, spodní část pouzdra šedá, horní část pouzdra šedá
rozměry: výška 118 mm, šířka 64 mm, hloubka 104 mm
další technické vlastnosti:
vstup pro kabel 1x nahoře otevřený, 1x dole uzavřený, 1x vzadu uzavřený, spodní část pouzdra je možno otočit o 180°
bezšroubové připojení vodičů QUICK-CONNECT je ověřený, trvanlivý, bezpečný a zcela bezúdržbový systém odolný proti nárazům, vibracím a výkyvům teplot. QUICK-CONNECT s optimálně nastaveným přítlakem svorky na připojovaný vodič zcela eliminuje nedostatky šroubových spojení (možnost přetažení, nebo nedotažení šroubků, slaněné vodiče není třeba ukončovat dutinkami)
barevné označení vstupů, pro správné zapojení jednotlivých vodičů (dodržení sledu fází u třífázové elektrické soustavy)
- Značka BALS
Zásuvky CEE
- Provedení Povrchová montáž
- Proud IEC 16 A
- Počet pólů 3
- Napětí podle ČSN EN 60309-2 230 V (50 Hz 60) modrá
- Pozice na hodinách 6 h
- Barevný kód, Identifikační barva Modrý
- číslo RAL 5015
- Stupeň krytí (IP) IP44
- Technologie propojení Bezšroubová svorka bezzávitová
- Kabelová průchodka Šroubení
- Materiál Plast
- Typ upevnění Vnitřní montáž
- Izolovaná montáž Ano
- Vojenský model Ne
Všechny obrázky














