Kód ELFETEX
11.113.374
Informace o produktu
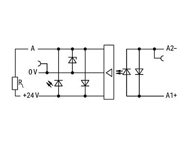
Modul s optočlenem; Vstupní jmenovité napětí DC 5 V; Rozsah výstupního napětí DC 15–30 V; Mezní trvalý proud 1 A; 3vodičové připojení / spínání k minusu; Frekvence: 15 kHz; Indikace stavu červená; Konstrukční šířka 6 mm; Šedá
- Značka WAGO
Optočleny
- Jmenovitý pracovní proud Ie 0.5 A
- Druh vstupního napětí DC
- Druh digitálního výstupu Elektronický
- Rozsah vstupního napětí 4 - 6.25 V
- Výstupní napětí 20 - 30 V
- S LED indikací Ano
- Typ výstupního napětí DC
Ke stažení
Všechny obrázky































