Kód ELFETEX
11.113.371
Informace o produktu
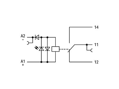
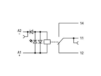
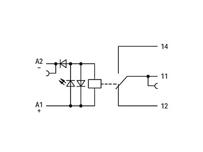
Reléový modul; Vstupní jmenovité napětí DC 48 V; 1 přepínací kontakt; Indikace stavu červená; Konstrukční šířka 6 mm; 2,50 mm²; Šedá
- Značka WAGO
Spínací relé
- Jmenovitý proud 5 A
- Šířka 6 mm
- Výška 91 mm
- Hloubka 91 mm
- Pohon, polarita Polarizovaný
- Spínání pohonu Monostabilní
- Druh spínacího kontaktu Jednoduchý kontakt
- Kompletní přístroj s paticí Ano
- Typ elektrického připojení Pružinová svorka
- Jmenovité napětí Us při DC 48 - 48 V
- Stupeň krytí (IP) IP20
- S LED indikací Ano
- Typ napětí pro ovládání DC
- Počet přepínacích kontaktů 1
- S odnímatelnými svorkami Ne
- S nuceným vedením kontaktů Ne
Ke stažení
Všechny obrázky































