Kód ELFETEX
10.491.601
Informace o produktu
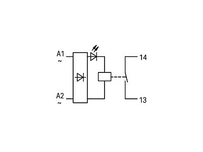
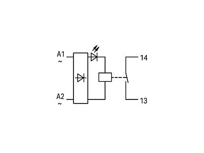
Reléový modul; Vstupní jmenovité napětí AC/DC 24 V; 1 spínací kontakt; Mezní trvalý proud: 5 A; Konstrukční šířka 13 mm; 2,50 mm²; Šedá
- Značka WAGO
Spínací relé
- Jmenovitý proud 5 A
- Šířka 13 mm
- Výška 85 mm
- Hloubka 85 mm
- Pohon, polarita Nepolarizovaný
- Spínání pohonu Monostabilní
- Druh spínacího kontaktu Jednoduchý kontakt
- Kompletní přístroj s paticí Ano
- Typ elektrického připojení Pružinová svorka
- Jmen. napájecí napětí AC 50Hz 24 - 24 V
- Jmen. napájecí napětí AC 60Hz 24 - 24 V
- Jmenovité napětí Us při DC 24 - 24 V
- Stupeň krytí (IP) IP20
- Typ napětí pro ovládání AC / DC
- Počet spínacích kontaktů 1
- S odnímatelnými svorkami Ne
- S nuceným vedením kontaktů Ne
- S LED indikací Ne
Ke stažení
Všechny obrázky















