Kód ELFETEX
11.108.721
Informace o produktu
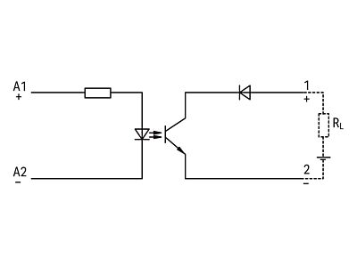
Modul s optočlenem; Jmenovité vstupní napětí: 24 V DC; Indikace stavu červená; Šedá
- Značka WAGO
Optočleny
- Jmenovitý pracovní proud Ie 0.1 A
- Druh vstupního napětí DC
- Druh digitálního výstupu Elektronický
- Rozsah vstupního napětí 18 - 30 V
- Výstupní napětí 20 - 60 V
- S LED indikací Ano
- Typ výstupního napětí DC
Ke stažení
Všechny obrázky























