Kód ELFETEX
10.064.483
Informace o produktu
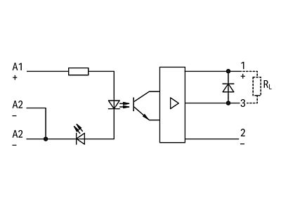
Modul s optočlenem; Jmenovité vstupní napětí: 24 V DC; Rozsah výstupního napětí DC 15–30 V; Mezní trvalý proud: 5 A; 3vodičové připojení / spínání k minusu; Indikace stavu červená; Konstrukční šířka 15 mm; Šedá
- Značka WAGO
Optočleny
- Jmenovitý pracovní proud Ie 5 A
- Druh vstupního napětí DC
- Druh digitálního výstupu Elektronický
- Rozsah vstupního napětí 15 - 30 V
- Výstupní napětí 15 - 40 V
- S LED indikací Ano
- Typ výstupního napětí DC
Ke stažení
Všechny obrázky























