Kód ELFETEX
11.108.719
Informace o produktu
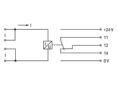
Modul ke sledování průtoku proudu; Střídavý proud; Rozsah monitorování: 0,2–3 A; 1 přepínací kontakt; Světle šedá
- Značka WAGO
Přístroje pro monitorování proudu
- Šířka 20 mm
- Výška 82.5 mm
- Výška 50 mm
- Možnost 1-fázového okna Ano
- Možnost 1-fázového podproudu Ano
- Možnost 1-fázového nadproudu Ano
- Obsahuje funkci stejnosměrného podproudu Ano
- Obsahuje funkci stejnosměrného nadproudu Ano
- Funkce stejnosměrného okna Ano
- Typ elektrického připojení Pružinová svorka
- Počet přepínacích kontaktů 1
- Externí transformátor proudu Ne
- S odnímatelnými svorkami Ne
- Možnost 3-fázového okna Ne
- Možnost 3-fázového podproudu Ne
- Možnost 3-fázového nadproudu Ne
Ke stažení
Všechny obrázky


