Kód ELFETEX
11.108.723
Informace o produktu
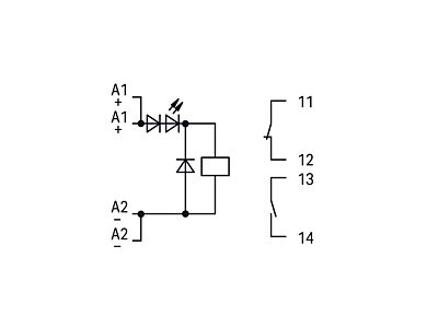
Reléový modul; Jmenovité vstupní napětí: 24 V DC; 1 spínací a 1 rozpínací kontakt; Mezní trvalý proud 6 A; Indikace stavu červená; Konstrukční šířka 20 mm; Šedá
- Značka WAGO
Spínací relé
- Jmenovitý proud 6 A
- Šířka 20 mm
- Výška 82.5 mm
- Hloubka 50 mm
- Pohon, polarita Polarizovaný
- Spínání pohonu Monostabilní
- Druh spínacího kontaktu Jednoduchý kontakt
- Typ elektrického připojení Zásuvková přípojka
- Jmenovité napětí Us při DC 24 - 24 V
- Stupeň krytí (IP) IP20
- S LED indikací Ano
- Typ napětí pro ovládání DC
- Počet rozpínacích kontaktů 1
- Počet spínacích kontaktů 1
- S odnímatelnými svorkami Ne
- S nuceným vedením kontaktů Ne
- Kompletní přístroj s paticí Ne
Ke stažení
Všechny obrázky























