Kód ELFETEX
10.735.660
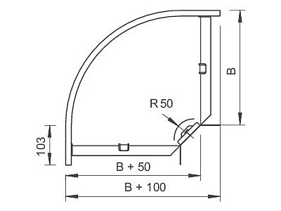
OBO BETTERMANN Oblouk 90° RB 90 610 FT SO
Informace o produktu
Oblouk 90° vodorovný, s úhlovými spojkami 60x100, St, žárově zinkováno ponorem / SOMY
- Značka OBO BETTERMANN
Oblouky pro kabelové žlaby
- Barva Bez
- Provedení Bez konektoru
- Ohyb (úhel) 90°
- Materiál Ocel
- Vnitřní poloměr 50 mm
- Šířka kabelového žlabu 100 mm
- Výška kabelového žlabu 60 mm
- Změna směru Vodorovně
Všechny obrázky











