Kód ELFETEX
10.854.140
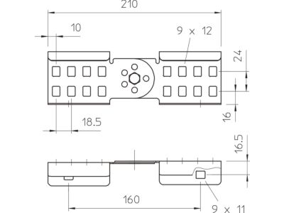
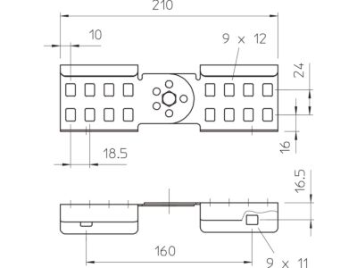
OBO BETTERMANN Kloubová spojka LGVG 60 A2
Informace o produktu
Kloubová spojka jako vnější spojka pro spojení kabelových žebříků a tvarových dílů s výškou bočnice 60 mm a průchozím děrováním bočnice. Úhelník svisle nastavitelný.
- Značka OBO BETTERMANN
Spojky pro kabelový nosný systém
- Materiál Nerez
- Povrchová úprava Ostatní, jiné
- Vhodné pro kabelový žebřík Ano
- Kloubová spojka vertikální Ano
- Provedení Podélná a rohová spojka
- Typ připojení Šroubovací spojka
- Kvalita materiálu Nerezová a kyselinovzdorná ocel
- Délka 210 mm
- Vhodné pro mřížkový žlab Ne
- Vhodné pro kabelový žlab Ne
- Nerezová ocel, mořeno Ne
- Kloubová spojka horizontální Ne
- Barva Nerez
- Vhodné pro výšku kabelových nosných systémů 60 - 60 mm
- Rozsah provozních teplot - - - °C
- Vhodné pro drát mřížkového žlabu - - - mm
- Vhodné pro kabelový nosný systém šířky - - - mm
Ke stažení
Všechny obrázky











