Kód ELFETEX
10.473.429
OBO BETTERMANN Kabelový žebřík LG 650 VS 3 FT
Informace o produktu
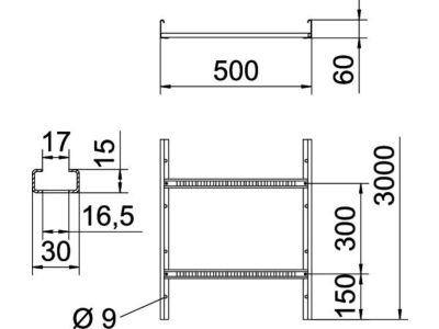
Kabelový žebřík s výškou bočnice 60 mm a s přinýtovaným nahoru otevřeným profilem C příčky.
- Značka OBO BETTERMANN
Kabelové lávky /kabelové žebříky s velkým rozpětím
- Typ bočního ramena Plochý profil
- Typ příčky Profil perforovaný
- Upevnění příčky Slepé nýtování
- Výška 60 mm
- Šířka 500 mm
- Délka 3000 mm
- Efektivní průřez 24800 mm²
- Rozteč příček 300 mm
- Materiál Ocel
- Povrchová úprava Pozinkování žárové
- Boční perforace Ano
- Hmotnost 3.55 kg/m
- Vhodné pro funkční integritu Ne
- Barva Zinek
- Stoupací trasa Ano
- Možná rozteč podpěr 1.5 - 4 m
- Bezpečné pracovní zatížení podle IEC 61537 při rozteči podpěr 1,5 m 3100 N/m
- Bezpečné pracovní zatížení podle IEC 61537 při rozteči podpěr 2,0 m 2250 N/m
- Bezpečné pracovní zatížení podle IEC 61537 při rozteči podpěr 2,5 m 1500 N/m
- Bezpečné pracovní zatížení podle IEC 61537 při rozteči podpěr 3,0 m 1100 N/m
- Bezpečné pracovní zatížení podle IEC 61537 při rozteči podpěr 4,0 m 450 N/m
Ke stažení
Všechny obrázky

















