Kód ELFETEX
11.317.978
OBO BETTERMANN Profilová lišta MS5030P6000A2
Informace o produktu
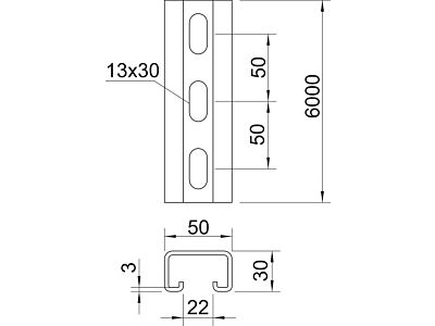
Těžká profilová lišta C pro individuální instalaci nosných konstrukcí, např. pro kabelové žlaby nebo jako konzola pro skříňové rozvaděče. Lze použít také k ukládání kabelů, ve spojení s třmenovými příchytkami s patkou U.
- Značka OBO BETTERMANN
Závěsné /profilové lišty
- Délka 6000 mm
- Šířka 50 mm
- Výška 30 mm
- Tloušťka materiálu 3 mm
- Tvar profilů C-profil
- Typ perforace Perforovaný hřbet
- Materiál dutinky Nerez
- Povrchová úprava Ostatní, jiné
- Odporový moment Wy 3.95 cm³
- Odporový moment Wz 6.38 cm³
- Oblast momentu setrvačnosti Iy 3.99 cm4
- Oblast momentu setrvačnosti Iz 13.11 cm4
- Hmotnost 2.83 kg
- S ozubením Ne
- Kvalita materiálu Nerezová a kyselinovzdorná ocel
- Vhodné pro funkční integritu Ne
Ke stažení
Všechny obrázky













