Kód ELFETEX
10.845.809
Informace o produktu
Popis:
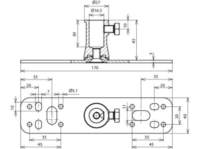
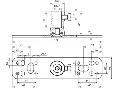
Upevňovací destička (montážní deska) k upevnění distančních držáků (GFK) nebo distančních tyčí (D 16 mm) mm na stěny a konstrukce. Možno kombinovat s držákem vedení s distanční tyčí (odstup 200 mm) při uložení vodiče HVI ve výbušném prostředí.
- Značka DEHN
Příslušenství pro uzemnění a ochranu před bleskem
- Typ příslušenství Adaptér
- Materiál Zinková tlaková litina
- Povrchová úprava Bez povrchové úpravy
GPSR Details
Odpovědnost za produkt +
Ke stažení
Všechny obrázky












