Kód ELFETEX
                                    10.152.178                                
                                            KOPOS Kanál RK 60x80 rozvaděčový včetně víka, barva šedá, délka 2m
Informace o produktu
Rozváděčový kanál RK 60X80 LD, tmavě šedý, 2 m, karton. Optimální zavírání, lehká montáž a demontáž, pevně fixovaný kryt, snadné vylomení žebra u dna kanálu. Dodáván včetně víka.
Jedno balení obsahuje 36 m (1ks = 2m) produktu.
Za každé rozbalené balení Vám bude účtován manipulační poplatek ve výši 150 Kč bez DPH.
V případě, že máme skladem menší množství, než je uvedené balení, lze ho zakoupit bez poplatku.
Pro objednání jiného množství než balení, nás kontaktujte.
- Značka KOPOS KOLÍN
                    Propojovací kanály pro rozvaděče                
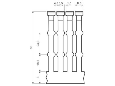
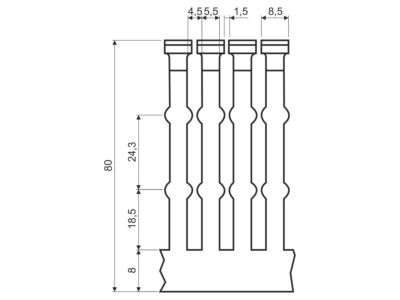
                - Výška 80 mm
- Šířka 60 mm
- Rozteč štěrbin 5.5 mm
- Šířka štěrbiny 4.5 mm
- Typ boční stěny Se zářezy
- Délka 2000 mm
- Samozhášecí Ano
- Efektivní průřez 4256 mm²
- Typ upevnění Spodní perforace
- s krytem Ano
- Barva Tmavě šedá (kámen)
Ke stažení
Všechny obrázky
 
                 
                 
                 
                
                                

















