Kód ELFETEX
                                    10.152.171                                
                                            KOPOS Kanál RK 40x60 rozvaděčový včetně víka barva šedá délka 2m
Informace o produktu
Rozváděčový kanál RK 40X60 LD, tmavě šedý. Optimální zavírání, lehká montáž a demontáž, pevně fixovaný kryt, snadné vylomení žebra u dna kanálu. Dodáván včetně víka.
Délka 2000 mm.
Jedno balení obsahuje 48 m (1ks = 2m) produktu.
Za každé rozbalené balení Vám bude účtován manipulační poplatek ve výši 150 Kč bez DPH.
V případě, že máme skladem menší množství, než je uvedené balení, lze ho zakoupit bez poplatku.
Pro objednání jiného množství než balení, nás kontaktujte.
- Značka KOPOS KOLÍN
                    Propojovací kanály pro rozvaděče                
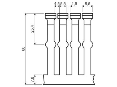
                - Výška 60 mm
- Šířka 40 mm
- Rozteč štěrbin 5.5 mm
- Šířka štěrbiny 4.5 mm
- Typ boční stěny Se zářezy
- Délka 2000 mm
- Samozhášecí Ano
- Efektivní průřez 2016 mm²
- Typ upevnění Spodní perforace
- s krytem Ano
- Barva Tmavě šedá (kámen)
Ke stažení
Všechny obrázky
 
                 
                 
                 
                
                                

















