KOPOS Kanál RK50x50 DIN rozvaděčová včetně víka, barva šedá, délka 2m
Informace o produktu
Rozváděčový kanál RK 50X50 DIN LD, tmavě šedý, 2 m, karton, DIN
Optimální zavírání, pevně fixovaný kryt. Lehká montáž a demontáž. Dodávány včetně víka. Snadné vylomení žebra u dna kanálu. Od konstrukční výšky 60 mm tvarovaná žebra. Šířka žebra 6 mm, šířka výřezu 4 mm.
Jedno balení obsahuje 42 metrů produktu.
Za každé rozbalené balení Vám bude účtován manipulační poplatek ve výši 150 Kč bez DPH.
Minimální množství k objednání je 2,0 m a jeho násobky.
Pro objednání jiného množství než balení nás kontaktujte.
- Značka KOPOS KOLÍN
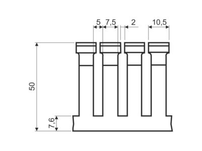
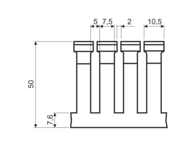
- Výška 50 mm
- Šířka 50 mm
- Rozteč štěrbin 7.5 mm
- Šířka štěrbiny 5 mm
- Typ boční stěny Se zářezy
- Délka 2000 mm
- Samozhášecí Ano
- Efektivní průřez 2025 mm²
- Typ upevnění Spodní perforace
- s krytem Ano
- Barva Tmavě šedá (kámen)
Ke stažení
Všechny obrázky
 
                 
                 
                 
                
                                

















