Kód ELFETEX
10.068.495
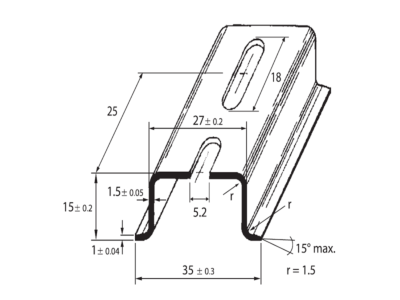
SCHMACHTL Lišta DIN 35x15 perforovaná 5,2mm pozink pasivovaná 2000mm
Informace o produktu
Montážní lišta TS 35X15/LL 2M/ST/ZN
Svorkovnicová lišta, se slotem. Příslušenství, 35 x 15 x Šířka drážek: 5.20 mm, Délka drážek: 25.00 mm, Ocel, galvanizované, pochromované. Svorkové lišty pro instalaci aktivních a pasivních komponentů. Délka 2m.
- Značka SCHMACHTL
Montážní lišty
- Provedení DIN lišta 35/15 mm
- Výška 15 mm
- Tloušťka materiálu 1 mm
- Délka 2000 mm
- Otvor tvaru Štěrbina
- Materiál dutinky Ocel
- Vzdálenost otvoru uprostřed 25 mm
- Provedení povrchu Pozinkování galvanické
Ke stažení
Všechny obrázky












