Kód ELFETEX
10.101.208
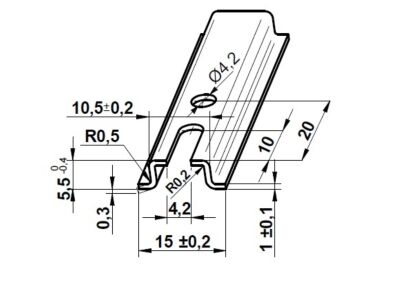
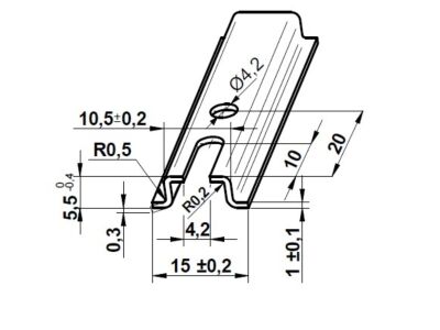
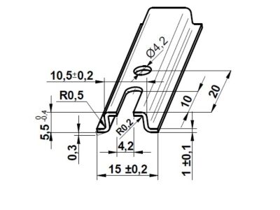
Lišta TS 15x5,5/100 Zn
Informace o produktu
Nosné lišty DIN jsou standardizovány dle EN 60715. Lišty dodáváme v provedení s povrchovou úpravou Sendzimir nebo nerez. Dle vámi zadaného požadavku jsme schopni zhotovit lišty jakýchkoliv délek. Nosné lišty atypických délek s otvory na koncích jsou dodávány v balení po pěti kusech. Materiál TH lišt: ocel, nerez. Povrchová úprava ocelových lišt: Sendzimir a galvanický zinek (na dotaz). Provedení: plné, perforované (5,2 x 25 mm / 6,3 x 18 mm).
- Značka ELEKTRO BEČOV
Montážní lišty
- Provedení DIN lišta 15 mm
- Výška 5.5 mm
- Tloušťka materiálu 0.3 mm
- Délka 1000 mm
- Materiál Ocel
Všechny obrázky











