Kód ELFETEX
10.469.744
OBO BETTERMANN Vývodka 36 IP54
Informace o produktu
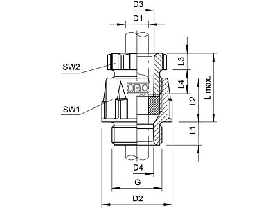
Standardní kabelová vývodka, tvar A dle DIN 46320, s jednoduchým těsnicím kroužkem z NR/SBR.
Připojovací závit PG dle DIN 40430.
Stupeň krytí: s těsnicím kroužkem na připojovacím závitu IP 65, bez těsnicího kroužku na připojovacím závitu IP 54.
Upozornění: Z důvodu vzniku mechanického napětí dotahujte kabelové vývodky z polystyrolu pouze mírně!
- Značka OBO BETTERMANN
Kabelové vývodky
- Typ závitu PG
- Rozměr závitu metricky / PG 36
- Délka závitu 12 mm
- Pro kabely o průměru od / do 25 - 33 mm
- Kvalita materiálu Polystyren
- Stupeň krytí (IP) IP65
- Barva Šedá
- číslo RAL 7035
- Provedení Rovný
- Typ těsnění Těsnicí kroužek
- Pro Ex-zónu Bez
- Pro Ex-zonu prachu Bez
- Bez halogenů Ano
- Nárazuvzdorný Ne
- Ochrana proti ohýbání Ne
- Odlehčení tahu Ne
- Materiál Plast
- Nevýbušné provedení Ne
- Vícenásobná těsnící vložka Ne
- S pojistnou maticí Ne
- Dělitelný šroubový spoj Ne
- Sklolaminátový Ne
- Rozsah provozních teplot - - - °C
Ke stažení
Všechny obrázky











