Kód ELFETEX
10.469.744
OBO BETTERMANN Vývodka 13,5 IP54
Informace o produktu
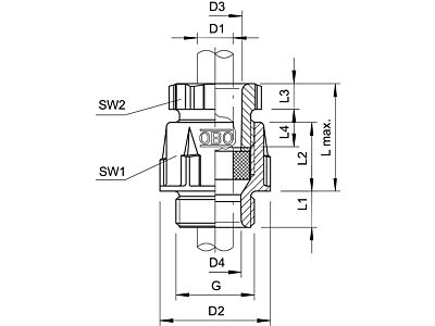
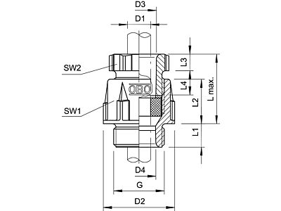
Standardní kabelová vývodka, tvar A dle DIN 46320, s jednoduchým těsnicím kroužkem z NR/SBR.
Připojovací závit PG dle DIN 40430.
Stupeň krytí: s těsnicím kroužkem na připojovacím závitu IP 65, bez těsnicího kroužku na připojovacím závitu IP 54.
Upozornění: Z důvodu vzniku mechanického napětí dotahujte kabelové vývodky z polystyrolu pouze mírně!
- Značka OBO BETTERMANN
Kabelové vývodky
- Barva Šedá
- Provedení Rovný
- číslo RAL 7035
- Délka závitu 9 mm
- Typ těsnění Těsnicí kroužek
- Kvalita materiálu Polystyren
- Typ závitu PG
- Pro kabely o průměru od / do 9 - 13 mm
- Stupeň krytí (IP) IP65
- Pro Ex-zónu Bez
- Rozměr závitu metricky / PG 13.5
- Pro Ex-zonu prachu Bez
- Bez halogenů Ano
- Nárazuvzdorný Ne
- Ochrana proti ohýbání Ne
- Odlehčení tahu Ne
- Materiál dutinky Plast
- Nevýbušné provedení Ne
- Vícenásobnátěsnící vložka Ne
- S pojistnou maticí Ne
- Dělitelný šroubový spoj Ne
- Sklolaminátový Ne
Ke stažení
Všechny obrázky

