Kód ELFETEX
                                    11.074.570                                
                                            OBO BETTERMANN Třmenová příchytka 2056 M 34 FT
Informace o produktu
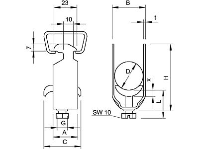
Vhodná k veškerým profilovým lištám C s výřezem 16-17 mm.
Příchytka, šroub a přítlačná opěrka z oceli žárově zinkované ponorem.
- Značka OBO BETTERMANN
                    Třmenové příchytky                
                - Upínací rozsah 28 - 34 mm
- Pro metrické trubky 32
- Max. počet kabelů 1
- Materiál svorka Ocel
- Povrch svorky, příchytky Pozinkování žárové
- Materiál šroub Ocel
- Povrch šroubu Pozinkování žárové
- Způsob montáže Profilová lišta
- Bez halogenů Ne
- Materiál vany Ocel
- Povrchová ochrana vany Pozinkování žárové
- S pultovou vanou Ne
Ke stažení
Všechny obrázky
 
                 
                 
                 
                 
                
                                










